5034-OF4 和 5034-OF4XT 模拟量 4 输出???/div>
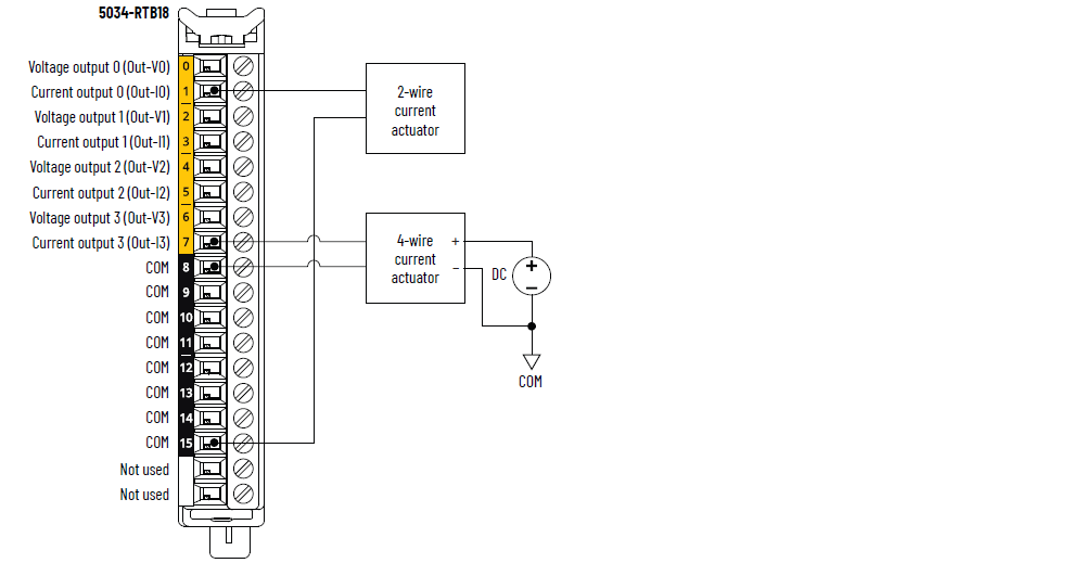
5034-OF4 和 5034-OF4XT 接线图 – 电流模式 
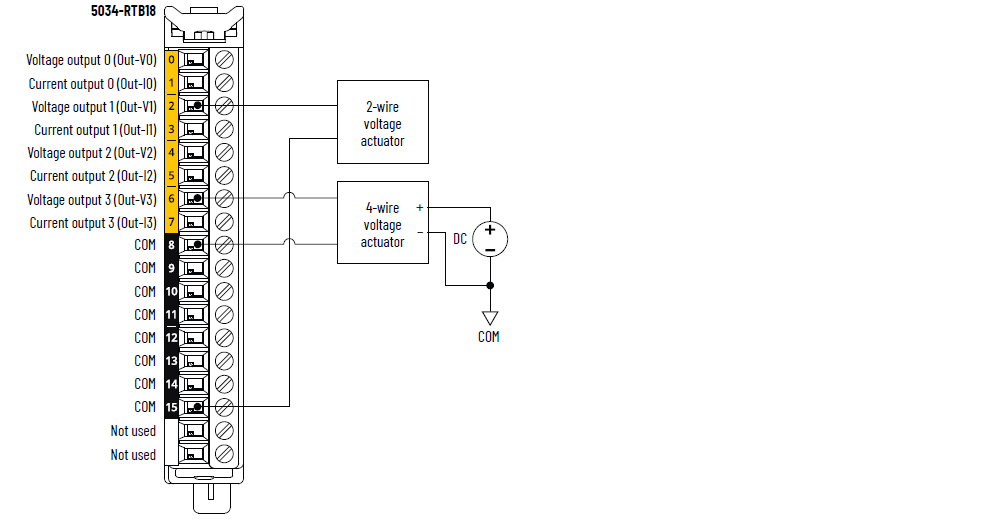
5034-OF4 和 5034-OF4XT 接线图 – 电压模式 
5034-OF4 和 5034-OF4XT 功能块图 
技术参数 - 5034-OF4、5034-OF4XT
属性
5034-OF4 和 5034-OF4XT
电压输出范围
±10 V
0…10 V
0…5 V
电流输出范围
0…20 mA
4…20 mA
电压分辨率
±10 V:15 位
0...10 V:16 位
0...5 V:16 位
电流分辨率
16 位
25 °C (77 °F) 时校准精度
电压:0.10% 满量程
电流:0.10% 满量程
全温度范围内校准精度
-25 到 +60 °C(-13 到 +140 °F)
电压:0.2% 满量程
电流:0.2% 满量程
变频器能力
电压:最小 3000 Ω
电流:最大 500 Ω
最大容性负载(仅电压模式)
1 μF
最大感性负载(仅电流模式)
1 mH
HART 手持设备合规性
兼容
断线检测
仅电流模式
短路检测
仅电压模式 – 输出电子限流为 16 mA 或更低
数据格式
IEEE 754
32 位浮点
??樽环椒?/div>
数模转换器
刷新速率
1 通道:0.2 ms
所有通道:0.4 ms
每通道阶跃响应时间达到 63% 满量程
电压模式:0.07 ms 典型值
电流模式:0.4 ms 典型值
背板到螺丝的响应时间(63% 满量程)
电压模式
1 通道:0.5 ms 典型值
所有通道:1 ms 典型值
电流模式:
1 通道:0.9 ms 典型值
所有通道:1.4 ms 典型值
过电压保护(最大值)
32 V DC
通用技术参数 - 5034-OF4、5034-OF4XT
属性
5034-OF4 和 5034-OF4XT
输出点数
4 个通道,单端
通道级可配置电压或电流模式
SA 电源电压(标称值)
24 V DC
SA 电源电压范围
10…30 V DC
SA 电源电流(标称值)
100 mA
SA 电源电流(最大值)
0.25 A
无负载 SA 电源电流
40 mA
SA 反极性保护
兼容
最大功耗
0.95 W
最大热量损耗
3.24 BTU/hr
绝缘电压
250 V(连续),基本绝缘类型,系统侧到现场侧
SA 电源与输出端口之间无隔离
各个输出端口之间无隔离
校准
出厂已校准
支持手动校准,请参见 PointMax 模拟量 I/O ??橛没植幔ǔ霭嫖铮?a class="xref" title="" data-scope="external" data-format="pdf" data-type="" target="_blank">5034-UM003)
RIUP 支持
兼容
电子匹配功能
通过编程软件实现电子匹配功能
RTB 钥匙位置(插槽)
2、5、10
支持 RTB
5034-RTB18、5034-RTB18S
接线类别 (1)
2 - 信号端口
2 - 电源端口
接线技术规范
关于可拆卸端子块接线技术参数,请参见 PointMax I/O 系统规格技术数据(出版物:5034-TD001)
指示灯
1 个绿色/红色??樽刺甘镜?/div>
1 个绿色/红色 SA 电源状态指示灯
4 个黄色/红色 I/O 状态指示灯
近似尺寸(高 x 宽 x 深)
123.6 x 15.0 x 66.4 mm (4.87 x 0.59 x 2.61 in.)
近似重量
47.0 g (1.66 oz.) – 5034-OF4
49.0 g (1.73 oz.) – 5034-OF4XT
防护罩类型
无(开放式)
北美温度代码
T4
UKEX/ATEX 温度代码
T4
IECEx 温度代码
T4
(1) 使用此导体类别信息制定导体布线计划。 请参见 Industrial Automation Wiring and Grounding Guidelines(出版物:1770-4.1)。 请按照相应系统级安装手册中的描述,使用该导线类别信息来规划导线布线。
5034-OF4 和 5034-OF4XT 接线图 – 电流模式

5034-OF4 和 5034-OF4XT 接线图 – 电压模式

5034-OF4 和 5034-OF4XT 功能块图

属性 | 5034-OF4 和 5034-OF4XT |
---|---|
电压输出范围 | ±10 V 0…10 V 0…5 V |
电流输出范围 | 0…20 mA 4…20 mA |
电压分辨率 | ±10 V:15 位 0...10 V:16 位 0...5 V:16 位 |
电流分辨率 | 16 位 |
25 °C (77 °F) 时校准精度 | 电压:0.10% 满量程 电流:0.10% 满量程 |
全温度范围内校准精度 -25 到 +60 °C(-13 到 +140 °F) | 电压:0.2% 满量程 电流:0.2% 满量程 |
变频器能力 | 电压:最小 3000 Ω 电流:最大 500 Ω |
最大容性负载(仅电压模式) | 1 μF |
最大感性负载(仅电流模式) | 1 mH |
HART 手持设备合规性 | 兼容 |
断线检测 | 仅电流模式 |
短路检测 | 仅电压模式 – 输出电子限流为 16 mA 或更低 |
数据格式 | IEEE 754 32 位浮点 |
??樽环椒?/div>
| 数模转换器 |
刷新速率 | 1 通道:0.2 ms 所有通道:0.4 ms |
每通道阶跃响应时间达到 63% 满量程 | 电压模式:0.07 ms 典型值 电流模式:0.4 ms 典型值 |
背板到螺丝的响应时间(63% 满量程) | 电压模式 1 通道:0.5 ms 典型值 所有通道:1 ms 典型值 电流模式: 1 通道:0.9 ms 典型值 所有通道:1.4 ms 典型值 |
过电压保护(最大值) | 32 V DC |
属性 | 5034-OF4 和 5034-OF4XT |
---|---|
输出点数 | 4 个通道,单端 通道级可配置电压或电流模式 |
SA 电源电压(标称值) | 24 V DC |
SA 电源电压范围 | 10…30 V DC |
SA 电源电流(标称值) | 100 mA |
SA 电源电流(最大值) | 0.25 A |
无负载 SA 电源电流 | 40 mA |
SA 反极性保护 | 兼容 |
最大功耗 | 0.95 W |
最大热量损耗 | 3.24 BTU/hr |
绝缘电压 | 250 V(连续),基本绝缘类型,系统侧到现场侧 SA 电源与输出端口之间无隔离 各个输出端口之间无隔离 |
校准 | 出厂已校准 支持手动校准,请参见 PointMax 模拟量 I/O ??橛没植幔ǔ霭嫖铮?a class="xref" title="" data-scope="external" data-format="pdf" data-type="" target="_blank">5034-UM003) |
RIUP 支持 | 兼容 |
电子匹配功能 | 通过编程软件实现电子匹配功能 |
RTB 钥匙位置(插槽) | 2、5、10 |
支持 RTB | 5034-RTB18、5034-RTB18S |
接线类别 (1) | 2 - 信号端口 2 - 电源端口 |
接线技术规范 | 关于可拆卸端子块接线技术参数,请参见 PointMax I/O 系统规格技术数据(出版物:5034-TD001) |
指示灯 | 1 个绿色/红色??樽刺甘镜?/div>
1 个绿色/红色 SA 电源状态指示灯 4 个黄色/红色 I/O 状态指示灯 |
近似尺寸(高 x 宽 x 深) | 123.6 x 15.0 x 66.4 mm (4.87 x 0.59 x 2.61 in.) |
近似重量 | 47.0 g (1.66 oz.) – 5034-OF4 49.0 g (1.73 oz.) – 5034-OF4XT |
防护罩类型 | 无(开放式) |
北美温度代码 | T4 |
UKEX/ATEX 温度代码 | T4 |
IECEx 温度代码 | T4 |
(1) 使用此导体类别信息制定导体布线计划。 请参见 Industrial Automation Wiring and Grounding Guidelines(出版物:1770-4.1)。 请按照相应系统级安装手册中的描述,使用该导线类别信息来规划导线布线。 |
提供反馈